化工石化工程設計資質代辦
化工石化工程設計資質辦理材料
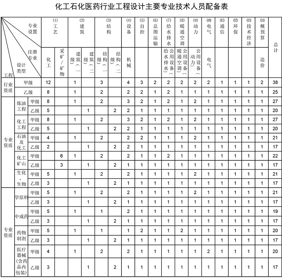
化工石化醫藥行業工程設計資質實際上包含三個大的行業類別:化工行業、石化行業以及醫藥行業,本類型行業資質分為甲級、乙級兩個級別的建筑資質等級,對相應的專業技術人員有一定的專業和人員數量要求。
化工石化醫藥行業工程設計資質下分為9個專業資質類型,分別為:煉油工程專業資質、化工工程專業資質、石油及化工產品儲運專業資質、化工礦山專業資質、生化生物藥專業資質、化學原料藥專業資質、中成藥專業資質、藥物制劑專業資質、醫療器械(含藥品內包裝)專業資質。本行業的所有專業資質都分為甲級、乙級兩個資質級別,對專業人員有一定要求。
專業和行業資質申請資質的順序都是從乙級開始申請,然后可以升級為甲級資質,相對來說行業資質申請的要求更多一些。
化工石化工程設計資質人員配備表

化工石化工程設計資質代辦辦理流程

化工石化工程設計資質代辦時間
化工石化醫藥行業設計資質辦理周期為3個月,石家莊登諾保證3個月左右未辦理下證退還全部代理金額(所需資料齊全)。
化工石化工程設計資質辦理技巧分享
化工設計企業和人員業績需要包括的行業
作為一家化工設計企業,主要從事化工行業工程設計工作,并且剛剛取得乙級資質證書,相對于施工資質設計資質的申請難度要大一些,特別是申請行業資質,企業和人員業績需要包括行業中9個設計類型中的3個設計類型。
一級建造師
可能有企業問化工石化醫藥行業工程設計資質容易申請么?就資質申請來說低級別的資質容易申請,乙級資質相對甲級資質申請難度要低一些,企業首先需要符合資質申請要求,如人員、企業資產條件、設備條件等,人員要對照人員配備表內容,人員數量不能缺失。
本文鏈接:http://www.skyrain.com.cn/fuwuxiangmu/gcsjzhzz/99.html



15633843557
QQ客服
聯系我們