石家莊:這197家建企注意了!12月18-20日需提交資質核查整改資料
發布時間:2019-12-12????瀏覽:
關于接收石家莊市2019年度“雙隨機一公開” 不合格建筑業企業提交整改資料的通知
市住建局建管處
2019年11月29日
附件1:
“雙隨機一公開”核查材料清單
注:以下1-6條所有企業均需提供,7-10條各企業根據核查結果提供相應材料。1、2019年度建筑業企業“雙隨機一公開”核查表;
2、企業主要人員清單;
3、社保繳費證明(單位)及銀行繳費憑證;
4、法人委托書(需附法人身份證及被委托人身份證復印件及聯系電話);
5、企業提供材料真實性承諾書;
6、企業營業執照、資質證書、安全生產許可證;
7、企業凈資產(財務審計報告);
8、技術負責人情況(任職文件、身份證、注冊建造師、職稱、簡歷、業績等);
9、核查涉及所有人員清單及相關證件(身份證+相關證件,如注冊建造師、職稱、技術工人等);非最低等級資質的企業按本類別最低等級資質要求的人員數量核查;
10、企業廠房、辦公場所房產證或租賃合同(含甲方房產證),工程技術裝備購買發票等;
11、以上材料、證件(身份證原件可不提供)等現場核查原件,留存復印件。為節約紙張,材料可正反面復印在一起,請按前述順序整理好材料并用夾子夾好。
注:企業需提供登錄河北省社會保險網上服務系統CA鎖
附件2
2019年度建筑業企業“雙隨機一公開”核查表
附件3
技術負責人(或注冊人員)基本情況及業績表
企業名稱:(蓋章)
填表日期:
本人承諾以上填寫內容真實有效。我知道隱瞞有關真實情況和填報虛假信息是嚴重的違法行為,以上關于我本人的基本信息及其業績如有虛假,本人愿接受住房城鄉建設主管部門或其他有關部門依法給予的行政處罰。
本人簽字:
年 月 日
注:申報企業須對此材料真實性負責。
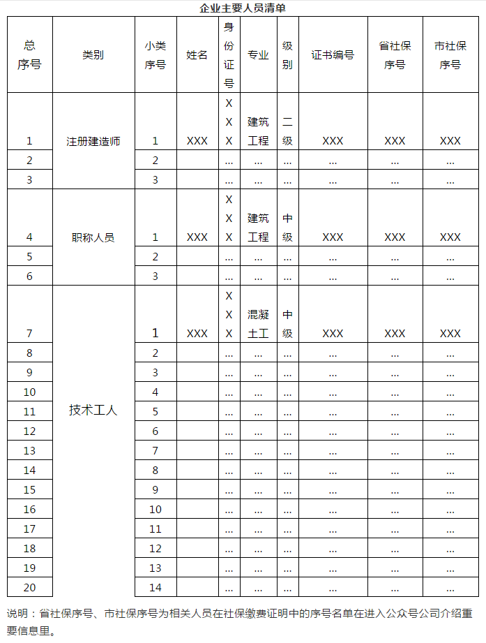
附件4
企業主要人員清單
延伸閱讀
此文章若未解決您的問題,可點擊右側在線客服咨詢(本文采集自網絡,如有侵權請及時聯系我們刪除)
?? ?登諾(www.sjzdenguo.com)-河北省石家莊專業的建筑資質代辦服務平臺,專注資質代辦,建筑工程資質辦理,企業資質代理等,另外,我公司還經營中高級職稱評審、安全生產許可證辦理、學歷提升、安管人員考試培訓、特種工考試培訓、技工考試培訓等多項業務。



15633843557
QQ客服
聯系我們